Arkiverad Sida.
LPL C7452
(Produkten har utgått ur vårt sortiment och går ej att beställa.)
Färgförstoringsapparat
avsedd för Proffs eller institutioner som använder negativ
eller positiv upp till 4x5". PRO 7452 är en uppgraderad och moderniserad
version av 7451. De skillnader som är direkt uppenbara är
en högre pelare (135 cm), större platta (60x80), bättre
kylning, 250W Halogenlampa och ett större avstånd mellan
optiken och pelaren (36 cm.). Tack vare detta kan man nu, även
med en Saunders avmaskningsram, göra 50x60-kopior "rakt av" utan
att väggmontera apparaten.
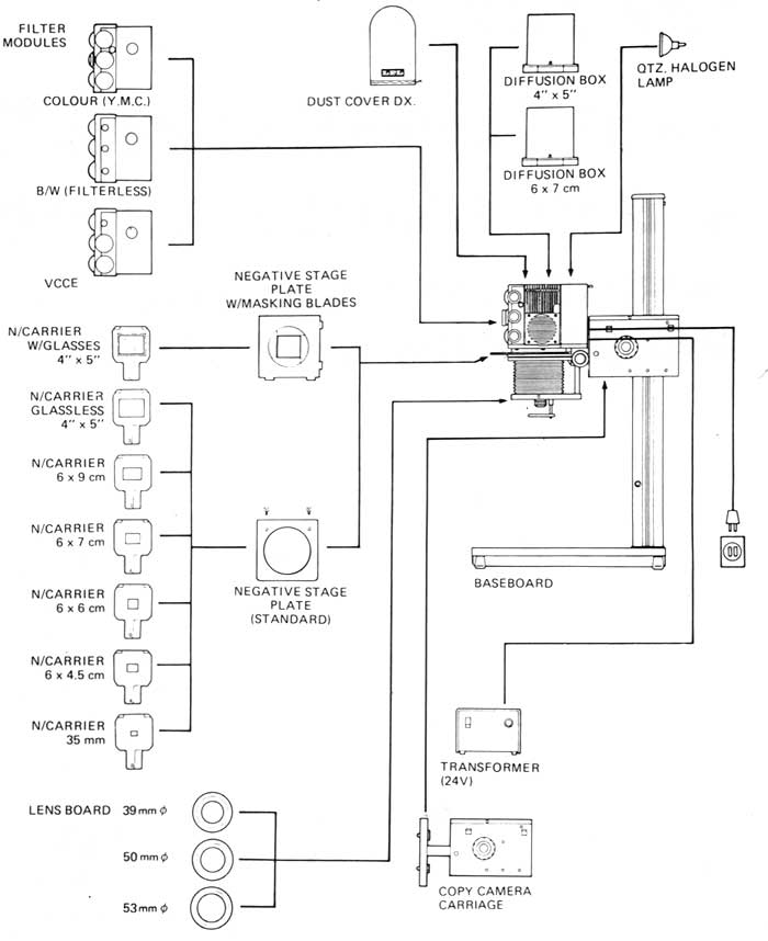
Konstruktion. LPL Pro
7452 , har en mycket stabil konstruktion. Pelaren har måtten 90x110x1350
mm och är tillverkad i "flygplans"-aluminium. Pelarfästet
är förankrad i bottenplattan med fyra kraftiga M8-bultar.
Plattan är förstärkt med en U-balk av stål på
undersidan för extra stabilitet och har måtten 600x800x25
mm med fem stötupptagande gummifötter, (en i vardera hörn
och en längst fram i mitten).
Kylsystem. Kylningen
fungerar som så att luften sugs in vid sidan av fläkt/lampmodulen,
genom en ljussluss, därefter passerar luften lampan underifrån
och passerar ut via lamphusets kylflänsar på ovansidan av
fläkt/lamp-modulen.
Lamp-modulen Utrustad med en 250W 24V halogenlampa och har ett inbyggt UV/IR-filter.Diffussionsboxen är invändigt klädd med högreflekterande material och i botten en invändigt konvex opalskiva som sprider ljuset extremt jämn över hela ytan.
Diffusionsbox Diffusionsboxen
är av en typ som kallas "LPL-diff", en konstruktion som ger klart
bättre ljusutbyte, extremt jämnt ljus och högre kontrast
än en traditionell diffusionsbox. LPL-diff-boxen som medföljer
är för 4x5", som tillbehör finns även en box med
kondensor för småbild.

Moduler Apparaten
är givetvis moduluppbyggd och den levereras med filtermodul för
färg. Till LPL PRO 7452 finns även en modul för svart/vitt
och en uppgraderad modul med LPL:s VCCE-system (Variable Contrast Constant
Exposure) som är för att kopiera på svartvitt variabelt
papper. VCCE-modulen har dikroitiska filter som är kopplade så
att man får en steglös inställning av kontrasten, samt
dubbla kanaler, en för Kodak-systemet och en för Ilford/Varycon.
VCCE-modulen har också vitljusomkopplare med LPL:s MemoryLock
(TM). Finessen med VCCE-systemet är att exponeringstiden är
i det närmaste konstant trots att man ändrar filtreringen.
Svart/vit modulen är en så kallad "blind-modul", utan rattar
eller filter, avsedd för ren svart/vitt kopiering. Färgmodulen
som medföljer kan användas för Färgpapper, svartvitt
graderat papper och svartvitt variabelt papper. Modulen är försedd
med dikroitiska filter som är graderade: Cyan 0-200, Yellow
0-200 och Magenta 0-170. Filtreringen ställs in med tre rejäla
rattar på apparathuvudets högra sida. Färgmodulen har
även vitljusomkopplare med LPL:s MemoryLock(TM), samt ett vred
för dämpning av ljuset med två steg, vilket är
mycket behändigt när man gör små kopior.

Negativilägg Negativiläggen,
som finns för format från småbild och monterat småbildsdia
till glasat eller glaslöst 4x5", kan sättas i från sidan
eller rakt framifrån och är vridbara ett antal grader t.ex.
för justering av horisontallinjen. Negativilägget som medföljer
är ett glaslöst 4x5". Bottenplattan för negativilägg,
som medföljer är utan linjaler. Som tillbehör finns det
en bottenplatta för negativilägg med linjaler som är
speciellt användbar när man använder det glasade 4x5"-ilägget
eller gör delförstoringar med glaslöst ilägg, för
att slippa ströljus.
Fokusering Fokusering
kan ske från både höger och vänster sida, på
högra sidan finns även finfokuseringsratt med utväxling
1:5. På utväxlingsratten kan en finfokuseringsförlängare
(L3684-21) monteras, vilket underlättar fokuseringen vid stora
förstoringar.
Höjdjustering Förstoringsapparatens
huvud är fjäderbalanserat och kullagrat, vilket gör att
huvudet kan höjas eller sänkas "med bara ett finger". För
fininställning av förstoringsgraden finns på högra
sidan en stor, rejäl ratt. På vänster sida finns ratten
för höjdlåsningen.
Optikmontering Förstoringsoptiken
monteras i LPL standard optikplatta, som finns för 39, 42, 50 och
53mm:s gänga. Förstoringsoptik tillkommer.
Övrigt: Svensktillverkad transformator till förstoringsapparaten ingår.
| Ljussystem
|
LPL Diffusionsljus
|
| Ljuskälla
|
24v 250W halogen
|
| Kylsystem
|
Fläkt
|
| Optikfattning
|
39-53 mm
|
| Optikplatta
|
Ja, standard LPL
|
| Max negativformat
|
4x5"
|
| Avstånd från
optik till pelare
|
36 cm
|
| Maxkopia (på plattan)
|
50x60cm.
(Begränsat av pelarens höjd, vid väggmontering och med
normal takhöjd görs 70x100cm eller större.)
|
| Finfokusering
|
Ingår, utväxling
1:5
|
| Pelarhöjd
|
135 cm
|
| Bottenplatta
|
80x60 cm
|
| Vikt
|
30 kg
|
©2016-2020 PHOTAX P.
Arvidsson Foto AB
|